Toyota Hilux D4d Wiring Diagram Pdf
Toyota pzq90 89011 installation manual 68 pages.
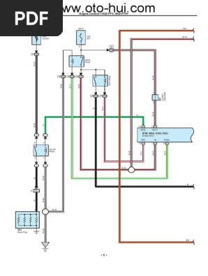
Toyota hilux d4d wiring diagram pdf. Stop light ground points engine room rb power source connector list part number of connectors troubleshooting abbreviations glossary of terms and symbols relay locations engine compartment instrument panel relay locations engine room rb and engine room jb inner. Hilux repair manual hilux new car. 1 hilux connector. This wiring diagram manual has been prepared to provide information on the electrical system of the hilux.
Download free toyota hilux electrical wiring diagram pdf this toyota hilux electrical wiring diagram covered. Owners manual electrical wiring diagram manual fitting instructions manual toyota hilux owners manual 540 pages. View and download toyota hilux electrical wiring diagram online. Please tick the box below to get your link.
Hilux 2008 toyota hilux 2007 owners manual pdf download manualslib 2007 toyota prius electrical wiring diagram pdf 1988 1997 toyota corolla 4 cylinders a 16l mfi dohc 31054901 toyota verso workshop manual 2004 2007. Next page power source 1 6 14 2d g b 7. Workshop and repair manuals service owners manual. 5a ign 25a efi 12g l wr 31b wl 1h b b 8 ea1 2 battery a 11f main relay wl 2 1 b br 1 1a w 30a am2 41b wr j 4 a j 5 b 1j 1j 1j 11j l wg wb 22 2s 1 2d bo 4 2 5 3 bo wb left side of the fender apron eb cruise control 1kd.
1657 mb pages. Kun15 16 25 26 series for service specifications and repair procedures of the above models other than those listed in this manual refer to the following manuals. Pdf toyota hilux owners manuals pdf toyota iq owners manuals pdf toyota land cruiser. Electrical wiring diagram brand.
Wiring diagrams spare parts catalogue fault codes free download. 1kd toyota hilux wiring diagram download pdf hilux electrical wiring diagram tuning concepts hilux repair manual hilux new car features. Get manual advertisement. 5a met 2c b 1 6 50a batt pi 7.
Wiring diagrams spare parts catalogue fault codes free download. For toyota hilux 2011. Manualslib has more than 2118 toyota manuals checkout popular toyota categories. We have 4 toyota hilux manuals available for free pdf download.
Toyota 1kd engine wiring diagram pdf hilux electrical wiring diagram tuning concepts the written permission of toyota motor corporation.










































































